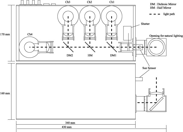
4-wavelengths Photometer

A 4-wavelengths photometer is designed to measure
simultaneously the 427.8 nm band emission of the N2+ 1NG (0,1) system,
the 630.0 nm line emission of the OI,
the 670.5 nm band emission of the N2 1PG (5,2) system
and 844.6 nm line emission of the OI.
The spectroscopy system of the photometer consists of two dichroic mirrors,
a half mirror and four band-pass filters.
The photometer has a 1.2 degrees field of view.
A time resolution of the photometer data is 0.1 seconds.